EVVA-M
EVVA-M
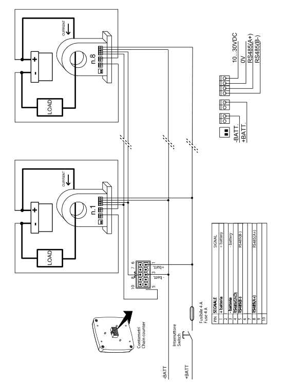
Compact, with an elegant and functional design, the EVVA-M energy meter
adapts to each dashboard and allows you to always monitor the voltage and
current supplied by a maximum of 8 batteries at the same time.
TECHNICAL CHARACTERISTICS OF THE DISPLAY
– Indications in 5 languages
– Measurement of current, voltage, power for a maximum of
8 batteries
– Maximum current alarm set on each battery, minimun and
maximum voltage alarm.
– High resolution graphic LCD display
– Adjustable display lighting
– Adjustable display contrast
– IP 56 waterproof enclosures / cases
– Modbus-RTU interface on RS485






