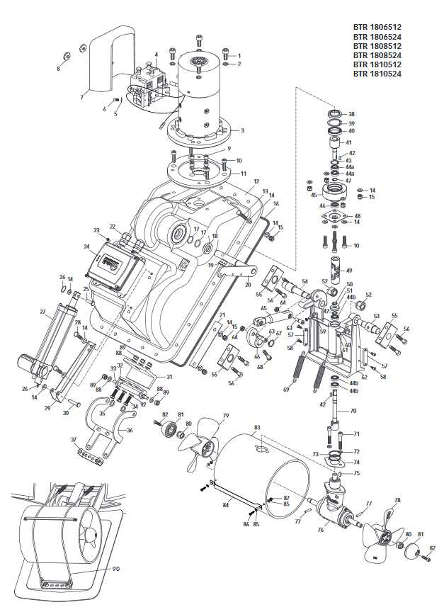
RETRACTABLE THRUSTERS Quick BTR 185
BTR 185
Retractable – Double propeller
12/24 V 3.3/4.3/6.3 kW
Tunnel 7″ 9/32
Boat size 26-49 ft
| MODEL | POWER SUPPLY | POWER | THRUST | TUNNEL |
|---|---|---|---|---|
| BTR 185-65 | DC 12, 24 V | 3300 W | 65 Kgf | 185 Ø mm |
| BTR 185-85 | DC 12, 24 V | 4300 W | 47.5 Kgf | 185 Ø mm |
| BTR 185-105 | DC 12, 24 V | 6300 W | 105 Kgf | 185 Ø mm |













