Opis
| DESCRIPTION | COIL | D.C.AMP | MOTOR W | WEIGHT | |
| MZ2090/L | bipolar inverter | 12V | 90A | 700W | 0,7 Kg |
| MZ2090/O | invertitore bipolare | 24V | 110A | 700W | 0,7 Kg |


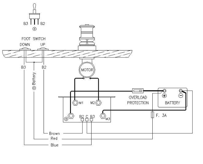
The MZ contactors and inverters are control devices for 3, 4 wires or permanent magnet DC motors. The pre-assembled group makes electrical connections quick and easy. Available in different versions to meet any requirement, and low consumption powering from 10 to 30 VDC, the contactors are shockproof and resistant to marine corrosion thanks to their IP 56 self-extinguishing polyester resin casing.
The MZ1030 adapter is a useful addition to 12V MZ relays as it can power any 12V relay from 10 to 30V, hence reducing the current absorbed the coil by up to 70% of the rated value.
| DESCRIPTION | COIL | D.C.AMP | MOTOR W | WEIGHT | |
| MZ2090/L | bipolar inverter | 12V | 90A | 700W | 0,7 Kg |
| MZ2090/O | invertitore bipolare | 24V | 110A | 700W | 0,7 Kg |