KEROS

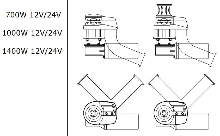
Anodyzed aluminium alloy windlass. Available in high or low profile, with different drives and recommended for boats up to 16 m. KEROS has a unique chain distribution system (ECS) integrated into its mechanism. This innovative system prevents stacking of the chain in the forepeak, and is completely mechanical and has a very small footprint. The windlass can use the 6 mm, 8 mm or 10 mm chains and is equipped with rope tensioner. Comes with built-in chain counter sensor.

MZ Electronic starts working with ORVEA in 2008, creating the brand Italwinch and starting producing the first range of anchor windlasses for boats up to 16 meters. The collaboration becomes closer with market demand to have products for bigger boats; in 2011 MZ Electronic decided to acquire the ORVEA company, including drawings, stock, moulds, know-how and starting the Italwinch by ORVEA project. Now the range Italwinch by ORVEA has more than 30 categories of mechanical products for docking, a complete range of electronic accessories and the possibility of creating custom solutions on request, both in electronic and mechanical sector

Kategorija: Oznaka:

Opis