Opis
TECHNICAL FEATURES
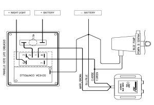
The panel control BILAC002, with automatic switch BIlLAC001, allows the perfect drainage of bilge thanks to automatic or manual use of pump by Three work positions. Ideal for the mount in the flybridge, thanks to its alarm, point out eventually anomalies in the pump or in the switch function. With CARLING SWITCH Contura II, watertight IP 56, with led for night lighting. ITS USE IS ONLY ON DIRECT CURRENT. Dimensions: 92 x 74 mm. Panel deeply: 70 mm. Feeding tension: from 9 to 30 VDC
ELECTRICAL CONNECTIONS
BEFORE ELECTRIC CONNECTIONS, SWITCH OFF THE BATTERY. DIFFERENT CONNECTIONS CAN DAMAGE DEFINITIVELY THE APPARATE. FOR THE CONNECTIONS, SEE THE WIRING DIAGRAM AT PAG. 13. AT THE END SWITCH ON THE BATTERY AND CHECK THAT ALL WORK PROPERLYUSE OF APPARATE
The panel control have Three work positions and functions.
∗ OFF: the bilge pump and the automatic switch BILAC001 are switch off.
∗ AUTO: the work of bilgemp is set by the automatic bilge switch BILAC001. When the water level reach the INOX sensors of the switch, the pump make the drainage of the bilge, until the water come down the threshold level, and then switch off after few seconds.
⇒ The panel control check that all works properly. If the continue functioning of the pump keep for more of 4 minutes, a sound alarm request to check eventually anomalies in the pump or in the switch sensors. ∗
MANUAL: the choice of this position switch on immediately the pump that works until the button come back in OFF position. WARNING: this position exclude the functioning of the automatic bilge switch and the sound alarm of anomalies. The led FUSE shows the intervention of the magneto-thermic breaker.



